Интернет-магазин представительского класса
Каталог
Сантехника
Ванны
Раковины для ванной
Душевые ограждения, уголки и поддоны
Унитазы
Смесители
Душ
Инсталляции
Душевые кабины
Полотенцесушители
Мойки и аксессуары
Душевые боксы
Встраиваемые душевые системы
Водонагреватели
Слив
Биде
Писсуары
Сантехнические люки
Распродажа
Готовые решения
Сантехника для людей с ограниченными возможностями
Освещение
Люстры
Бра
Споты
Настольные лампы
Торшеры
Трековые сиситемы
Уличное освещение
Офисное освещение
Лампочки
Комплектующие
Свет для дома
Настенные бра
Точечные светильники
Подсветка стен и ступеней
Светильники
Шинные и струнные системы
Ночники
Комплектующие
Лампы
Декоративные ниши для натяжных потолков
Настольные лампы
Споты
Торшеры и напольные светильники
Светильники для картин и зеркал
Мебельные светильники
Люстры
Детские светильники
Светодиодные ленты и комплектующие к ним
Подсветка
Свет для улицы
Светильники для стен и ступеней
Уличные настенные светильники
Уличные потолочные светильники
Уличные настольные светильники
Садово-парковые светильники
Светильники на столбы
Тротуарные светильники
Уличные блоки розеток
Фонари
Штативы
Грунтовые светильники
Прожекторы
Светильники для фонтанов и бассейнов
Садовые фигуры
Праздничное освещение
Электроустановка
Вывод кабеля
Диммеры
Комплектующие
Суппорты
Терморегуляторы
Трековые системы розеток
Выключатели
Клавиши. Накладки
Рамки
Розетки
Мебель для ванной комнаты
Комплекты мебели
Консоли и столешницы для раковины
Зеркала
Зеркальные шкафы
Тумбы с раковиной
Светильники
Полки и модули
Шкафы навесные
Шкафы-пеналы
Комоды
Банкетки
Комплектующие для мебели
Аксессуары для ванной комнаты и туалета
Мыльницы
Дозаторы для жидкого мыла
Стаканы для зубных щеток
Держатели для туалетной бумаги
Ершики для унитаза
Крючки для полотенец
Вешалки для ванной комнаты
Полотенцедержатели
Полки для ванной
Шторы и карнизы для ванной комнаты
Корзины для белья
Косметические зеркала
Поручни для ванной
Коврики для ванной комнаты
Мусорные ведра
Наборы аксессуаров для ванной комнаты
Стойки - наборы держателей
Диспенсеры для ватных дисков
Аксессуары и оборудование для общественных туалетов
Держатели для ванной комнаты
Сушилки для белья
Прочие аксессуары для туалета
Плитка
Керамическая плитка
Керамогранит
Инженерная сантехника
Запорная арматура и фитинги
Водонагреватели
Сантехнические люки
Монтажный профиль TECE
Вода и водоочистка
Фильтры для воды
Краны для питьевой воды
Картриджи и комплектующие
Бассейны
Деревянные бассейны
Мини бассейн
Роботы-пылесосы
Химия для бассейна
Акции
Услуги
Сервисные службы
Установка сантехники
Подъём на этаж (на лифте)
Блог
Бренды
Как купить
Условия оплаты
Условия доставки
Гарантия на товар
Компания
О компании
Новости
Отзывы
Контакты
Партнеры
Сертификаты
Галерея
Контакты
8 (800) 201-87-48
Заказать звонок
Задать вопрос
Войти
  • Корзина0
  • Избранные товары0
  • Сравнение товаров0
Ваш город
Белгород
info@ceramicplus.ru
Пункт самовывоза: г. Белгород, Коммунальная ул., 18
  • Вконтакте
  • Telegram
  • YouTube
  • Viber
  • Viber
  • WhatsApp
  • Яндекс.Дзен
Ваш город
Белгород
8 (800) 201-87-48
Заказать звонок
Пункт самовывоза: г. Белгород, Коммунальная ул., 18
Акции
Услуги
  • Сервисные службы
    • Установка сантехники
    • Подъём на этаж (на лифте)
Блог
Проекты
  • Сантехника
    • ЖК RiverSky - комплектация квартиры
    • Дизайн-проект интерьера загородного дома в КП Федюково — Современные решения
    • Дизай проект квартиры в ЖК "Шаляпин"
    • Дизай проект на Припальном проезде
    • Дом в КП Потапово
    • Капитальный ремонт кинозала Киностудии им.М.Горького
    • ЖК Английский Квартал
    • Стильно и просто
    • Загородный ЖК Park Fonte от Villagio Estate
    • ЖК Большая семерка - квартира
    • 3...2...1... Отправляемся в космос
Как купить
  • Условия оплаты
  • Условия доставки
  • Гарантия на товар
Компания
  • О компании
  • Новости
  • Отзывы
  • Контакты
  • Партнеры
  • Сертификаты
Контакты
+  ЕЩЕ
    Войти
    Каталог
    Сантехника
    Освещение
    Свет для дома
    Свет для улицы
    Электроустановка
    Мебель для ванной комнаты
    Аксессуары для ванной комнаты и туалета
    Плитка
    Инженерная сантехника
    Вода и водоочистка
    Бассейны
      • Ванны
      • Раковины для ванной
      • Душевые ограждения, уголки и поддоны
      • Унитазы
      • Смесители
      • Душ
      • Инсталляции
      • Душевые кабины
      • Полотенцесушители
      • Мойки и аксессуары
      • Душевые боксы
      • Встраиваемые душевые системы
      • Водонагреватели
      • Слив
      • Биде
      • Писсуары
      • Сантехнические люки
      • Распродажа
      • Готовые решения
      • Сантехника для людей с ограниченными возможностями
      • Люстры
      • Бра
      • Споты
      • Настольные лампы
      • Торшеры
      • Трековые сиситемы
      • Уличное освещение
      • Офисное освещение
      • Лампочки
      • Комплектующие
      • Настенные бра
      • Точечные светильники
      • Подсветка стен и ступеней
      • Светильники
      • Шинные и струнные системы
      • Ночники
      • Комплектующие
      • Лампы
      • Декоративные ниши для натяжных потолков
      • Настольные лампы
      • Споты
      • Торшеры и напольные светильники
      • Светильники для картин и зеркал
      • Мебельные светильники
      • Люстры
      • Детские светильники
      • Светодиодные ленты и комплектующие к ним
      • Подсветка
      • Светильники для стен и ступеней
      • Уличные настенные светильники
      • Уличные потолочные светильники
      • Уличные настольные светильники
      • Садово-парковые светильники
      • Светильники на столбы
      • Тротуарные светильники
      • Уличные блоки розеток
      • Фонари
      • Штативы
      • Грунтовые светильники
      • Прожекторы
      • Светильники для фонтанов и бассейнов
      • Садовые фигуры
      • Праздничное освещение
      • Вывод кабеля
      • Диммеры
      • Комплектующие
      • Суппорты
      • Терморегуляторы
      • Трековые системы розеток
      • Выключатели
      • Клавиши. Накладки
      • Рамки
      • Розетки
      • Комплекты мебели
      • Консоли и столешницы для раковины
      • Зеркала
      • Зеркальные шкафы
      • Тумбы с раковиной
      • Светильники
      • Полки и модули
      • Шкафы навесные
      • Шкафы-пеналы
      • Комоды
      • Банкетки
      • Комплектующие для мебели
      • Мыльницы
      • Дозаторы для жидкого мыла
      • Стаканы для зубных щеток
      • Держатели для туалетной бумаги
      • Ершики для унитаза
      • Крючки для полотенец
      • Вешалки для ванной комнаты
      • Полотенцедержатели
      • Полки для ванной
      • Шторы и карнизы для ванной комнаты
      • Корзины для белья
      • Косметические зеркала
      • Поручни для ванной
      • Коврики для ванной комнаты
      • Мусорные ведра
      • Наборы аксессуаров для ванной комнаты
      • Стойки - наборы держателей
      • Диспенсеры для ватных дисков
      • Аксессуары и оборудование для общественных туалетов
      • Держатели для ванной комнаты
      • Сушилки для белья
      • Прочие аксессуары для туалета
      • Керамическая плитка
      • Керамогранит
      • Запорная арматура и фитинги
      • Водонагреватели
      • Сантехнические люки
      • Монтажный профиль TECE
        Монтажный профиль TECE
      • Фильтры для воды
      • Краны для питьевой воды
      • Картриджи и комплектующие
      • Деревянные бассейны
      • Мини бассейн
      • Роботы-пылесосы
      • Химия для бассейна
    Сравнение0
    Избранные товары 0
    Корзина 0
    Каталог
    Сантехника
    Освещение
    Свет для дома
    Свет для улицы
    Электроустановка
    Мебель для ванной комнаты
    Аксессуары для ванной комнаты и туалета
    Плитка
    Инженерная сантехника
    Вода и водоочистка
    Бассейны
      • Ванны
      • Раковины для ванной
      • Душевые ограждения, уголки и поддоны
      • Унитазы
      • Смесители
      • Душ
      • Инсталляции
      • Душевые кабины
      • Полотенцесушители
      • Мойки и аксессуары
      • Душевые боксы
      • Встраиваемые душевые системы
      • Водонагреватели
      • Слив
      • Биде
      • Писсуары
      • Сантехнические люки
      • Распродажа
      • Готовые решения
      • Сантехника для людей с ограниченными возможностями
      • Люстры
      • Бра
      • Споты
      • Настольные лампы
      • Торшеры
      • Трековые сиситемы
      • Уличное освещение
      • Офисное освещение
      • Лампочки
      • Комплектующие
      • Настенные бра
      • Точечные светильники
      • Подсветка стен и ступеней
      • Светильники
      • Шинные и струнные системы
      • Ночники
      • Комплектующие
      • Лампы
      • Декоративные ниши для натяжных потолков
      • Настольные лампы
      • Споты
      • Торшеры и напольные светильники
      • Светильники для картин и зеркал
      • Мебельные светильники
      • Люстры
      • Детские светильники
      • Светодиодные ленты и комплектующие к ним
      • Подсветка
      • Светильники для стен и ступеней
      • Уличные настенные светильники
      • Уличные потолочные светильники
      • Уличные настольные светильники
      • Садово-парковые светильники
      • Светильники на столбы
      • Тротуарные светильники
      • Уличные блоки розеток
      • Фонари
      • Штативы
      • Грунтовые светильники
      • Прожекторы
      • Светильники для фонтанов и бассейнов
      • Садовые фигуры
      • Праздничное освещение
      • Вывод кабеля
      • Диммеры
      • Комплектующие
      • Суппорты
      • Терморегуляторы
      • Трековые системы розеток
      • Выключатели
      • Клавиши. Накладки
      • Рамки
      • Розетки
      • Комплекты мебели
      • Консоли и столешницы для раковины
      • Зеркала
      • Зеркальные шкафы
      • Тумбы с раковиной
      • Светильники
      • Полки и модули
      • Шкафы навесные
      • Шкафы-пеналы
      • Комоды
      • Банкетки
      • Комплектующие для мебели
      • Мыльницы
      • Дозаторы для жидкого мыла
      • Стаканы для зубных щеток
      • Держатели для туалетной бумаги
      • Ершики для унитаза
      • Крючки для полотенец
      • Вешалки для ванной комнаты
      • Полотенцедержатели
      • Полки для ванной
      • Шторы и карнизы для ванной комнаты
      • Корзины для белья
      • Косметические зеркала
      • Поручни для ванной
      • Коврики для ванной комнаты
      • Мусорные ведра
      • Наборы аксессуаров для ванной комнаты
      • Стойки - наборы держателей
      • Диспенсеры для ватных дисков
      • Аксессуары и оборудование для общественных туалетов
      • Держатели для ванной комнаты
      • Сушилки для белья
      • Прочие аксессуары для туалета
      • Керамическая плитка
      • Керамогранит
      • Запорная арматура и фитинги
      • Водонагреватели
      • Сантехнические люки
      • Монтажный профиль TECE
        Монтажный профиль TECE
      • Фильтры для воды
      • Краны для питьевой воды
      • Картриджи и комплектующие
      • Деревянные бассейны
      • Мини бассейн
      • Роботы-пылесосы
      • Химия для бассейна
    Акции
    Услуги
    • Сервисные службы
      • Установка сантехники
      • Подъём на этаж (на лифте)
    Блог
    Бренды
    Как купить
    • Условия оплаты
    • Условия доставки
    • Гарантия на товар
    Компания
    • О компании
    • Новости
    • Отзывы
    • Контакты
    • Партнеры
    • Сертификаты
    Галерея
    Контакты
    +  ЕЩЕ
      Сравнение0
      Избранные товары 0
      Корзина 0
      Телефоны
      8 (800) 201-87-48
      Заказать звонок
      • Каталог
        • Назад
        • Каталог
        • Сантехника
          • Назад
          • Сантехника
          • Ванны
          • Раковины для ванной
          • Душевые ограждения, уголки и поддоны
          • Унитазы
          • Смесители
          • Душ
          • Инсталляции
          • Душевые кабины
          • Полотенцесушители
          • Мойки и аксессуары
          • Душевые боксы
          • Встраиваемые душевые системы
          • Водонагреватели
          • Слив
          • Биде
          • Писсуары
          • Сантехнические люки
          • Распродажа
          • Готовые решения
          • Сантехника для людей с ограниченными возможностями
        • Освещение
          • Назад
          • Освещение
          • Люстры
          • Бра
          • Споты
          • Настольные лампы
          • Торшеры
          • Трековые сиситемы
          • Уличное освещение
          • Офисное освещение
          • Лампочки
          • Комплектующие
        • Свет для дома
          • Назад
          • Свет для дома
          • Настенные бра
          • Точечные светильники
          • Подсветка стен и ступеней
          • Светильники
          • Шинные и струнные системы
          • Ночники
          • Комплектующие
          • Лампы
          • Декоративные ниши для натяжных потолков
          • Настольные лампы
          • Споты
          • Торшеры и напольные светильники
          • Светильники для картин и зеркал
          • Мебельные светильники
          • Люстры
          • Детские светильники
          • Светодиодные ленты и комплектующие к ним
          • Подсветка
        • Свет для улицы
          • Назад
          • Свет для улицы
          • Светильники для стен и ступеней
          • Уличные настенные светильники
          • Уличные потолочные светильники
          • Уличные настольные светильники
          • Садово-парковые светильники
          • Светильники на столбы
          • Тротуарные светильники
          • Уличные блоки розеток
          • Фонари
          • Штативы
          • Грунтовые светильники
          • Прожекторы
          • Светильники для фонтанов и бассейнов
          • Садовые фигуры
          • Праздничное освещение
        • Электроустановка
          • Назад
          • Электроустановка
          • Вывод кабеля
          • Диммеры
          • Комплектующие
          • Суппорты
          • Терморегуляторы
          • Трековые системы розеток
          • Выключатели
          • Клавиши. Накладки
          • Рамки
          • Розетки
        • Мебель для ванной комнаты
          • Назад
          • Мебель для ванной комнаты
          • Комплекты мебели
          • Консоли и столешницы для раковины
          • Зеркала
          • Зеркальные шкафы
          • Тумбы с раковиной
          • Светильники
          • Полки и модули
          • Шкафы навесные
          • Шкафы-пеналы
          • Комоды
          • Банкетки
          • Комплектующие для мебели
        • Аксессуары для ванной комнаты и туалета
          • Назад
          • Аксессуары для ванной комнаты и туалета
          • Мыльницы
          • Дозаторы для жидкого мыла
          • Стаканы для зубных щеток
          • Держатели для туалетной бумаги
          • Ершики для унитаза
          • Крючки для полотенец
          • Вешалки для ванной комнаты
          • Полотенцедержатели
          • Полки для ванной
          • Шторы и карнизы для ванной комнаты
          • Корзины для белья
          • Косметические зеркала
          • Поручни для ванной
          • Коврики для ванной комнаты
          • Мусорные ведра
          • Наборы аксессуаров для ванной комнаты
          • Стойки - наборы держателей
          • Диспенсеры для ватных дисков
          • Аксессуары и оборудование для общественных туалетов
          • Держатели для ванной комнаты
          • Сушилки для белья
          • Прочие аксессуары для туалета
        • Плитка
          • Назад
          • Плитка
          • Керамическая плитка
          • Керамогранит
        • Инженерная сантехника
          • Назад
          • Инженерная сантехника
          • Запорная арматура и фитинги
          • Водонагреватели
          • Сантехнические люки
          • Монтажный профиль TECE Монтажный профиль TECE
        • Вода и водоочистка
          • Назад
          • Вода и водоочистка
          • Фильтры для воды
          • Краны для питьевой воды
          • Картриджи и комплектующие
        • Бассейны
          • Назад
          • Бассейны
          • Деревянные бассейны
          • Мини бассейн
          • Роботы-пылесосы
          • Химия для бассейна
      • Акции
      • Услуги
        • Назад
        • Услуги
        • Сервисные службы
          • Назад
          • Сервисные службы
          • Установка сантехники
          • Подъём на этаж (на лифте)
      • Блог
      • Бренды
      • Как купить
        • Назад
        • Как купить
        • Условия оплаты
        • Условия доставки
        • Гарантия на товар
      • Компания
        • Назад
        • Компания
        • О компании
        • Новости
        • Отзывы
        • Контакты
        • Партнеры
        • Сертификаты
      • Галерея
      • Контакты
      • Белгород
        • Назад

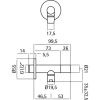
      Вентиль Huber Lynox ZB002930D1 для подключения смесителя

      Главная
      —
      Каталог
      —
      Инженерная сантехника
      —
      Запорная арматура и фитинги
      —
      Запорные вентили
      —
      Huber
      —
      Lynox
      —Вентиль Huber Lynox ZB002930D1 для подключения смесителя
      Вентиль Huber Lynox ZB002930D1 для подключения смесителя
      вентиль huber lynox zb002930d1 для подключения смесителя
      вентиль huber lynox zb002930d1 для подключения смесителя
      Вентиль Huber Lynox ZB002930D1 для подключения смесителя
      вентиль huber lynox zb002930d1 для подключения смесителя
      вентиль huber lynox zb002930d1 для подключения смесителя
      В избранное
      Сравнить
      Артикул: ZB002930D1
      Huber
      Характеристики
      Коллекции
      —
      Lynox
      Цвет
      —
      Серый
      Страна производства
      —
      Италия
      11 636 ₽/шт
      Варианты цен
      11 636 ₽/шт
      Подробности
      Под заказ
      Под заказ
      Наши менеджеры обязательно свяжутся с вами и уточнят условия заказа
      Самовывоз завтра - бесплатно
      Доставка завтра - от 690 ₽
      Работаем с НДС 22% - подробнее

      Вы можете позвонить нам или написать в чат
      • Telegram
      • WhatsApp
      • MAX
      Интернет-магазин предлагает только информационную услугу. Материалы, фотографии и цены на сайте не являются публичной офертой в соответствии со статьей 437 ГК Российской Федерации.

      • Описание
      • Отзывы
      • Как купить
      • Оплата
      • Доставка
      HUBER Lynox Вентиль для подключения смесителя, нержавеющая сталь
      Отзывы
      Нет оценок
      Оставить отзыв
      Загрузка отзывов...

      Для покупки товара в нашем интернет-магазине выберите понравившийся товар и добавьте его в корзину. Далее перейдите в Корзину и нажмите на «Оформить заказ» или «Быстрый заказ».

      Когда оформляете быстрый заказ, напишите ФИО, телефон и e-mail. Вам перезвонит менеджер и уточнит условия заказа. По результатам разговора вам придет подтверждение оформления товара на почту или через СМС. Теперь останется только ждать доставки и радоваться новой покупке.

      Оформление заказа в стандартном режиме выглядит следующим образом. Заполняете полностью форму по последовательным этапам: адрес, способ доставки, оплаты, данные о себе. Советуем в комментарии к заказу написать информацию, которая поможет курьеру вас найти. Нажмите кнопку «Оформить заказ».

      Оплачивайте покупки удобным способом. В интернет-магазине доступно 3 варианта оплаты:

      1. Наличные при самовывозе или доставке курьером. Специалист свяжется с вами в день доставки, чтобы уточнить время и заранее подготовить сдачу с любой купюры. Вы подписываете товаросопроводительные документы, вносите денежные средства, получаете товар и чек.
      2. Безналичный расчет при самовывозе или оформлении в интернет-магазине: карты Visa и MasterCard. Чтобы оплатить покупку, система перенаправит вас на сервер системы ASSIST. Здесь нужно ввести номер карты, срок действия и имя держателя.
      3. Электронные системы при онлайн-заказе: PayPal, WebMoney и Яндекс.Деньги. Для совершения покупки система перенаправит вас на страницу платежного сервиса. Здесь необходимо заполнить форму по инструкции.

      Экономьте время на получении заказа. В интернет-магазине доступно 4 варианта доставки:

      1. Курьерская доставка работает с 10.00 до 19.00. Когда товар поступит на склад, курьерская служба свяжется для уточнения деталей. Специалист предложит выбрать удобное время доставки и уточнит адрес. Осмотрите упаковку на целостность и соответствие указанной комплектации.
      2. Самовывоз из магазина. Список торговых точек для выбора появится в корзине. Когда заказ поступит на склад, вам придет уведомление. Для получения заказа обратитесь к сотруднику в кассовой зоне и назовите номер.
      3. Постамат. Когда заказ поступит на точку, на ваш телефон или e-mail придет уникальный код. Заказ нужно оплатить в терминале постамата. Срок хранения — 3 дня.
      4. Почтовая доставка через почту России. Когда заказ придет в отделение, на ваш адрес придет извещение о посылке. Перед оплатой вы можете оценить состояние коробки: вес, целостность. Вскрывать коробку самостоятельно вы можете только после оплаты заказа. Один заказ может содержать не больше 10 позиций и его стоимость не должна превышать 100 000 р.
      Статьи
      5 трендов в дизайне ванных комнат 2026 года
      Советы покупателям —
      02.03.2026
      5 трендов в дизайне ванных комнат 2026 года
      Huber

      Huber – это более пятидесяти лет успешной работы в области проектирования и производства наиболее сложного продукта из латуни – термостатического смесителя. Эта компания была основана в середине 60-х годов, и за короткое время стала одним из ведущих производителей не только в Италии, но и в Европе. 

      Все товары категории
      Все товары бренда Huber

      Нужна консультация?

      Наши специалисты ответят на любой интересующий вопрос
      Задать вопрос


      Коллекция Huber Lynox

      Вас заинтересует в бренде Huber
      Каталог
      Акции
      Услуги
      Бренды
      Компания
      О компании
      Новости
      Отзывы
      Контакты
      Партнеры
      Сертификаты
      Информация
      Магазины
      Условия оплаты
      Условия доставки
      Гарантия на товар
      Реквизиты
      Политика
      Помощь
      Условия оплаты
      Условия доставки
      Гарантия на товар
      Вопрос-ответ
      Обзоры
      Подписаться на рассылку
      8 (800) 201-87-48
      Заказать звонок
      info@ceramicplus.ru
      Пункт самовывоза: г. Белгород, Коммунальная ул., 18
      • Вконтакте
      • Telegram
      • YouTube
      • Viber
      • Viber
      • WhatsApp
      • Яндекс.Дзен
      Все торговые марки каталога принадлежат их владельцам. Копирование составляющих частей сайта в какой бы то ни было форме без разрешения владельца авторских прав запрещено.
      Данный интернет-магазин носит исключительно информационный характер и ни при каких условиях информационные материалы, размеры, фото и цены сайта не являются публичной офертой, определяемой положениями Статьи 437 Гражданского кодекса РФ.


      2026 © CeramicPlus.ru – интернет-магазин Сантехники и Аксессуаров.